Details of the Acorn Speech Upgrade, by Peter Shaw
The TMS5220 Speech upgrade was an expansion for the BBC Model B, but unlike many of the expansion kits you could get like the Z80 Second Processor and the Teletext Adapter, it was in actual fact in internal upgrade, and especially in the early models had to be fitted using a soldering Iron.
In later models (I think issue 4 board onwards) sockets were provided for the chips to be easily inserted.
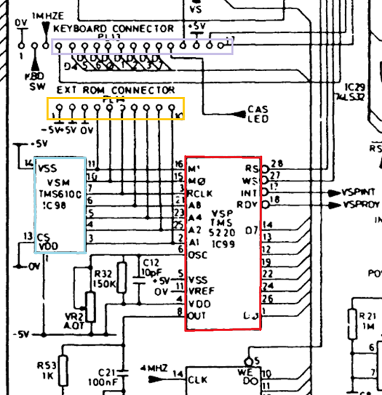
The following parts on the Circuit Diagram are the speech upgrade:

And I've marked them in the same colour on a photo of the issue 7 circuit board.

The TMS5220 was inserted into the "Red" socket, and was the main speech processor/CPU that actually produced the digitised speech output. If you trace it's audio out on the circuit diagram, you'll see it's patched directly into the audio output amplifier stage the same as the main SN76489 sound chip. I built a model of the BBC's sound chip on an Arduino, controlled by a PC about 4 years ago now : shawty/sn76489arduino: Project and Supporting files to turn an arduino into a BBC Micro music player. (github.com) ).
The "Light Blue" socket was the default Speech Rom (TMS6100) (IC98) and contained the data required to make the speech processor speak like the BBC newscaster, Kenneth Kendal.
PL13 was the main keyboard connector and always connected, but if memory serves PL14 came in the form of an extra cable that still had to be soldered into the main keyboard assembly.
PL14 was used to connect the serial rom socket (Which was also soldered into the keyboard assembly) to provide a socket to add extra speech rom's with different voices, which when plugged in would be used instead of the default voice in IC98.
You can see the various holes here:

These were pre-made in the keyboard assembly at the factory ready for the serial rom socket and wires to be added.
Sadly, the speech system never gained massive adoption, and not many upgrades were sold. Instead the software based "*speech" system from Superior Software was far more popular (and cheaper). I certainly remember during my school days with my class mates and a copy of *speech making the computers say rude words all the time.
The keyboard space/socket was often used by hobbyists to add an extra parallel ROM socket to the system that allowed them to add/remove ROM software without opening the computers case all the time, and in later years to add in sideways RAM expansions (essentially soft loading of ROM images).








